当前位置: 首页 > 知识产权交易 > 专利转让 >

待交易一种球磨机运行报警保护系统

专利号:CN202021740756.7 已授权

申请日:2023-02-01发布日期:2023-02-01

立即收藏 立即询价 转让价格:询价

专利摘要

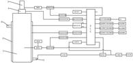
本实用新型公开了一种球磨机运行报警保护系统,属于球磨机保护系统领域。球磨机运行报警保护系统包括球磨机本体、夹套、驱动模块、进料模块、进出水模块、报警模块和PLC控制器,球磨机本体的一端安装有驱动模块,球磨机本体与进料模块连接,球磨机本体外侧设有夹套,进出水模块与夹套连接,驱动模块、进料模块、进出水模块和报警模块均与PLC控制器电性连接,驱动模块用于驱动球磨机本体运作,进料模块用于给球磨机本体加入原料,进出水模块用于给夹套提供冷却水,报警模块用于提示球磨机故障报警,PLC控制器用于控制驱动模块、进料模块、进出水模块和报警模块。本实用新型能同时实施控制及报警,自动化程度高,安全性高,提高工作效率和减少劳动力。

交易流程

  • 平台资深顾问将根据买家的需求,提供一对一服务,协助买家挑选到合适的专利。

  • 待买家确认无误后,根据顾问指导进行下单,并签订协议与合同,买家需要支付50%交易款给平台。

  • 平台将负责办理官方变更手续,向国知局提交转让材料。

  • 约10个工作日左右,待买家确认收到专利《变更手续合格通知书》后,向平台支付剩余交易款。

  • 转让成功后,平台会将专利证书原件、专利登记簿副本原件邮寄给买家,同时把交易尾款支付给卖家,保障双方交易顺利。

过户资料

主体资格 转让方提供 受让方提供 平台提供 转让完成,可获得
自然人 身份证复印件,专利证书原件; 身份证复印件
有效个体营业执照
转让申请书
代理委托书
转让协议书
发明人变更声明
专利证书
手续合格通知书
专利登记簿副本
公司 有效的企业营业执照副本复印件,专利证书原件 有效的企业营业执照副本复印件;企业组织机构代码证
平台专属代理事务所将对委托交易全程监督,确保所有交易合同及相关文件合法有效。

发布求购信息