当前位置: 首页 > 知识产权交易 > 专利转让 >

待交易一种手消液自动感应装置

专利号:CN202122903171.3 已授权

申请日:2022-12-28发布日期:2022-12-28

立即收藏 立即询价 转让价格:询价

专利摘要

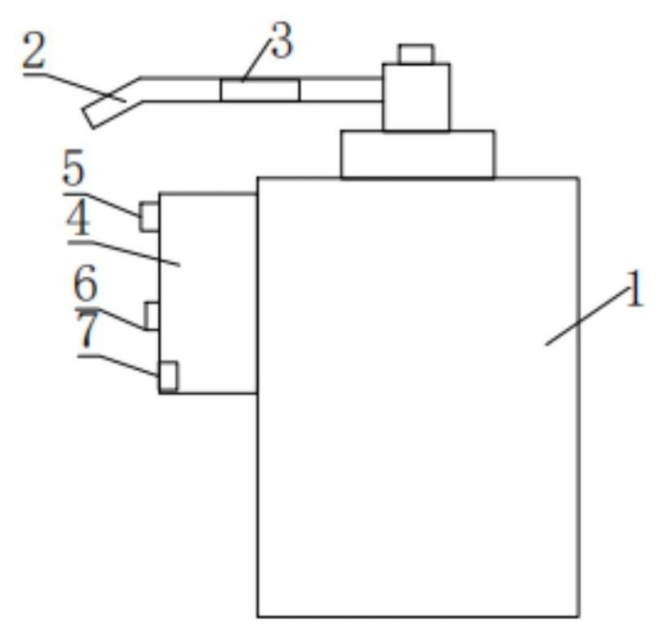
本实用新型公开了一种手消液自动感应装置,属于医疗器械技术领域。自动感应装置包括手消液本体,手消液本体的侧壁上设有感应机构,手消液本体的出液口上设有出液管,出液管上设有电磁阀,电磁阀与所述感应机构连接。本实用新型通过加入感应机构,能够防止失智老人误食手消液,并通过语音的解锁形式,非常方便工作人员取到手消液。

交易流程

  • 平台资深顾问将根据买家的需求,提供一对一服务,协助买家挑选到合适的专利。

  • 待买家确认无误后,根据顾问指导进行下单,并签订协议与合同,买家需要支付50%交易款给平台。

  • 平台将负责办理官方变更手续,向国知局提交转让材料。

  • 约10个工作日左右,待买家确认收到专利《变更手续合格通知书》后,向平台支付剩余交易款。

  • 转让成功后,平台会将专利证书原件、专利登记簿副本原件邮寄给买家,同时把交易尾款支付给卖家,保障双方交易顺利。

过户资料

主体资格 转让方提供 受让方提供 平台提供 转让完成,可获得
自然人 身份证复印件,专利证书原件; 身份证复印件
有效个体营业执照
转让申请书
代理委托书
转让协议书
发明人变更声明
专利证书
手续合格通知书
专利登记簿副本
公司 有效的企业营业执照副本复印件,专利证书原件 有效的企业营业执照副本复印件;企业组织机构代码证
平台专属代理事务所将对委托交易全程监督,确保所有交易合同及相关文件合法有效。

发布求购信息