当前位置: 首页 > 知识产权交易 > 专利转让 >

待交易 一种机房用物联网温度传感器装置

专利号:2020209987664 已授权

申请日:2020-06-04发布日期:2022-07-13

立即收藏 立即询价 转让价格:询价

专利摘要

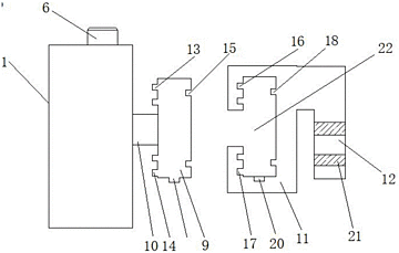
本实用新型公开了一种机房用物联网温度传感器装置,温度传感器设置在外壳外,相对于设置在外壳内的装置,能更精确地监测机房内的温度,且温度传感器所散出的热量不会对外壳内的控制主板产生影响;该装置包括第一安装座和第二安装座,第二安装座用于与墙壁固定,且第一安装座与第二安装座为可拆卸地连接方式,便于将装置主体从第二安装座上拆卸下来,一个装置主体可以配置多个第二安装座,第二安装座安装在墙壁的不同位置,便于将装置主体移至不同的位置进行温度监测,安装及拆卸方便,操作简单。

交易流程

  • 平台资深顾问将根据买家的需求,提供一对一服务,协助买家挑选到合适的专利。

  • 待买家确认无误后,根据顾问指导进行下单,并签订协议与合同,买家需要支付50%交易款给平台。

  • 平台将负责办理官方变更手续,向国知局提交转让材料。

  • 约10个工作日左右,待买家确认收到专利《变更手续合格通知书》后,向平台支付剩余交易款。

  • 转让成功后,平台会将专利证书原件、专利登记簿副本原件邮寄给买家,同时把交易尾款支付给卖家,保障双方交易顺利。

过户资料

主体资格 转让方提供 受让方提供 平台提供 转让完成,可获得
自然人 身份证复印件,专利证书原件; 身份证复印件
有效个体营业执照
转让申请书
代理委托书
转让协议书
发明人变更声明
专利证书
手续合格通知书
专利登记簿副本
公司 有效的企业营业执照副本复印件,专利证书原件 有效的企业营业执照副本复印件;企业组织机构代码证
平台专属代理事务所将对委托交易全程监督,确保所有交易合同及相关文件合法有效。

发布求购信息