当前位置: 首页 > 知识产权交易 > 专利转让 >

待交易一种农业养殖用饲料粉碎混合装置

专利号:2021100536803 已授权

申请日:2021-01-15发布日期:2022-06-15

立即收藏 立即询价 转让价格:询价

专利摘要

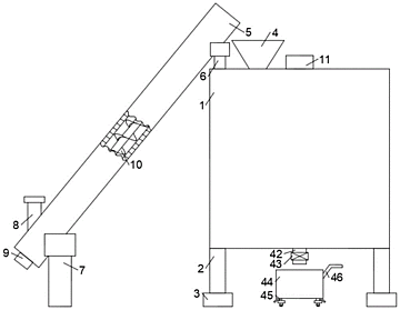
本发明涉及农业养殖技术领域,具体是一种农业养殖用饲料粉碎混合装置,包括粉碎箱,所述粉碎箱上方设有进料斗,所述粉碎箱下方设有出料口,所述出料口正下方设有收集车,所述进料斗上方设有上料组件,所述粉碎箱表面连接有粉碎组件,所述粉碎组件贯穿粉碎箱延伸至粉碎箱内,所述粉碎组件下方设有实现振动筛分的筛分组件,本装置解决了现有的农业养殖用饲料粉碎混合装置存在的结构设计不合理,粉碎效果差,严重影响着牲畜食用时的口感,给操作人员带来了不便的问题,本发明结构设计合理,操作简单,使用方便,对饲料进行更加快速和充分地粉碎,提高了饲料的粉碎效果和饲料的口感,给操作人员带来了便利,达到了省时省力的技术效果,利于推广。

交易流程

  • 平台资深顾问将根据买家的需求,提供一对一服务,协助买家挑选到合适的专利。

  • 待买家确认无误后,根据顾问指导进行下单,并签订协议与合同,买家需要支付50%交易款给平台。

  • 平台将负责办理官方变更手续,向国知局提交转让材料。

  • 约10个工作日左右,待买家确认收到专利《变更手续合格通知书》后,向平台支付剩余交易款。

  • 转让成功后,平台会将专利证书原件、专利登记簿副本原件邮寄给买家,同时把交易尾款支付给卖家,保障双方交易顺利。

过户资料

主体资格 转让方提供 受让方提供 平台提供 转让完成,可获得
自然人 身份证复印件,专利证书原件; 身份证复印件
有效个体营业执照
转让申请书
代理委托书
转让协议书
发明人变更声明
专利证书
手续合格通知书
专利登记簿副本
公司 有效的企业营业执照副本复印件,专利证书原件 有效的企业营业执照副本复印件;企业组织机构代码证
平台专属代理事务所将对委托交易全程监督,确保所有交易合同及相关文件合法有效。

发布求购信息